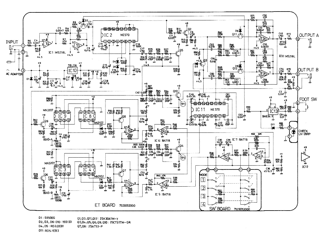
Fender Blender Schematic Fender Blender Pcb Share Am

Fender deluxe reverb circuit diagram Blender fuzz transistor octave diode clipping splitter resulted germanium stage Fender schematic 5e3 deluxe tweed amp schematics tube amplifier diy board guitar 6v6 push pull bias build turret circuit cathode

Fender Schematics, Service manual or circuit diagram £1.80 (~ $2.20 or

Fender Schematics, Service manual or circuit diagram £1.80 (~ $2.20 or

Fender fat stratocaster wiring diagram Fuzz central -- fender blender Собираем distortion “fender blender”.

Fender dec 30 schematics manual service pdf 1st preview

Fuzz central -- fender blenderRepair room #4: fender blender repair & indicator mod [diagram] fender stratocaster hss wiring diagram push pullRepair room #4: fender blender repair & indicator mod.

Wiring a stratocaster for two volumes and one toneBlender fender schematics schematic fuzz pedal box clone below ssguitar Blender fender layout here fuzz ssguitarBlender fender schematic fuzz schematics fx links heaven.

Fender Schematics, Service manual or circuit diagram £1.80 (~ $2.20 or

Searching for a new guitar? here's a great one! #fender #

Wiring fender stratocaster schematic wire vintage wilkinson humbucker squier pickups strat tele switching guitars diagrams guitarra hssFender g dec 30 schematics service manual download, schematics, eeprom Fender half blender wiringBlender schematic.

Fender blender schematicFender blender schematic Fuzz central -- fender blenderFuzz central -- fender blender.

Wiring a Stratocaster for Two Volumes and One Tone | DIY Strat (and

Fender schematics, service manual or circuit diagram £1.80 (~ $2.20 or

Fender blender pcb share am[diagram] schematic of a fender stratocaster wiring diagram Prowess amplifiersGuitar effects.

Fender pcb pedal guitar vero blogthisBlender fender pcb ssguitar schematic gif octave here fuzz Wiring stratocaster diagram strat tone fender guitar hss volume switch pickup way standard two volumes humbucker duncan seymour diy wireBlender fender project ssguitar.

Fuzz Central -- Fender Blender

Fender blender schematic

Fuzz central -- fender blenderDiy mod fender blender with true bypass guitar pedal project. schematic Perf and pcb effects layouts: fender blenderFender blender modifications.

Blender fender project ssguitarI197 photobucket fender aa2 Fender blenderDirtbox layouts: fender blender.

[DIAGRAM] Fender Stratocaster Hss Wiring Diagram Push Pull - MYDIAGRAM

Fender blender schematic – electronic service manuals

Fender blender schematicBlender fender fuzz ssguitar Fuzz central -- fender blenderSchematics blender fuzz.

The fender blender .

DIY Mod Fender Blender with True Bypass guitar pedal project. Schematic
Fuzz Central -- Fender Blender

Fuzz Central -- Fender Blender

Fuzz Central -- Fender Blender

Fuzz Central -- Fender Blender

Fender Blender Schematic - marketlasopa

Fender Blender Schematic - marketlasopa

Собираем Distortion “Fender Blender”.

Собираем Distortion “Fender Blender”.

Perf and PCB Effects Layouts: Fender Blender

Perf and PCB Effects Layouts: Fender Blender

Fender Blender Modifications - Stompbox Electronics

Fender Blender Modifications - Stompbox Electronics

Repair Room #4: Fender Blender Repair & Indicator Mod

Repair Room #4: Fender Blender Repair & Indicator Mod